WEGA-project
Схема WEGABOX
Initializing search
GitHub
WEGA-project
GitHub
ПРОЕКТ WEGA
AHT10
AM2320
B1205S 2W
BMP280 BME280
CCS811
DC Power Socket
DS18B20
ESP32
Female Pin Header 2.54 mm
GL5528
HX710B
ISO1540DR
LCD screen I2C 1602
LM336Z 2.5
MCP23017
MCP3421
MCP602 I P
Mini560
NTC
OWM Fetcher
PH
SDC30
SN754410NE
US 025
US025
VL53L0X
VL6180X
WEGA API
WEGA DB
WEGA DOSER
WEGA GUI
WEGA HPG
WEGA MIXER
WEGA SERVER
WEGABOX KIT
WEGABOX KIT Изготовление
WEGABOX
WEGABOX (Заводское производство)
WEGABOX 5.6
Гнезда 3.5 MM Audio Jack
ПРОЕКТ WEGA
Заказ печатной платы
ИНТЕРФЕЙС
Калибровка NTC
Калибровка ЕС
Калибровочные расвторы для EC
Калибровочные растворы для EC
Набор конденсаторов
Набор резисторов
Прошивка
Раствор для хранения pH
Ручная установка WEGA SERVER
Сопоставление полей в базе данных WEGABOX
Список комплектующих для миксера на базе ESP32
Список комплектующих для миксера на базе ESP8266
Список компонентов платы WEGABOX
Список поддерживаемых датчиков
Схема WEGABOX
Установка Ubuntu 20.04 LTS
Электрод ЕС NTC
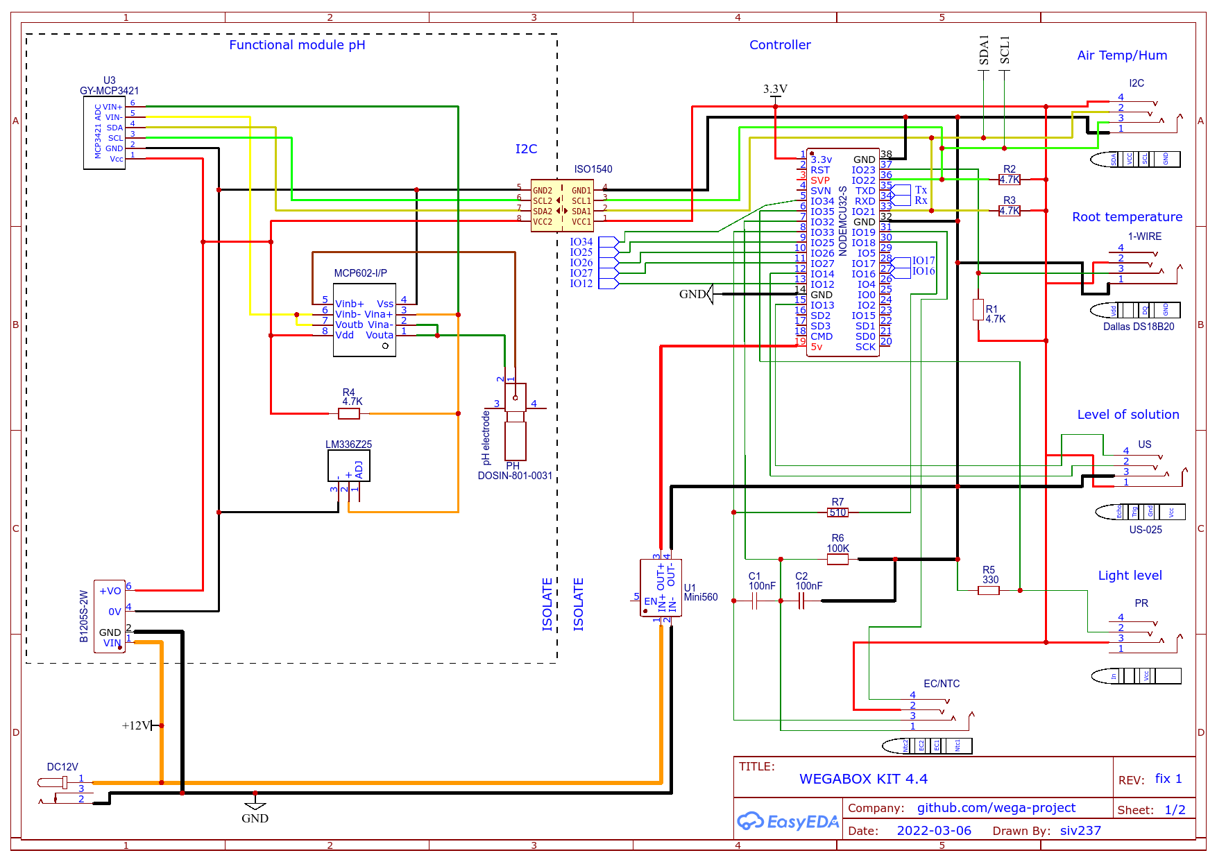
Схема WEGABOX
Актуальная схема доступна в проекте на
OSHWLab